Trying to Reverse Engineer a Vacuum Tube Integrated Module

Published at : 23 Dec 2025

In this episode, we’re waiting on new parts for the HP150A oscilloscope to arrive, and so while FedEx takes their time finding my front door, we take a look at a really cool piece that a member of the Discord server got their hands. After some begging, it got shipped here and I try my best to figure out just what it is!



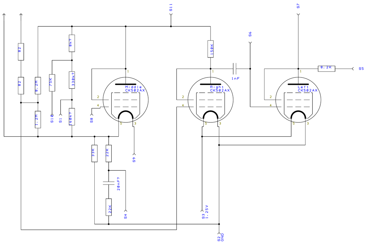
Here's the reverse engineered schematic:
https://i.postimg.cc/9fCC6VPm/Tube-Module-Schematic.png


If you want to support the channel, please hop over to Patreon:
https://www.patreon.com/usagielectric


Also, we now have some epic shirts for sale!
https://my-store-11554688.creator-spring.com

Timelapse Music:
Artist: C7, Jamphibious
Title: Mega Man 3 "Shadow's Lounge"
https://ocremix.org/remix/OCR02710

Intro Music adapted from:
Artist: The Runaway Five
Title: The Shinra Shuffle
https://ocremix.org/remix/OCR01847

Come join us on Discord and Twitter!

Discord: https://discord.gg/p7UsfHD
Twitter: https://twitter.com/UsagiElectric

Thanks for watching!

Chapters
0:00 Intro
3:20 Taking a closer look
5:14 The Raytheon CK502AX
8:15 Tracing out the circuit
9:21 The schematic
15:17 Outro
16:04 Bunnies!