Reverse Engineering a U.S. Navy Vacuum Tube Thing

Published at : 23 Dec 2025

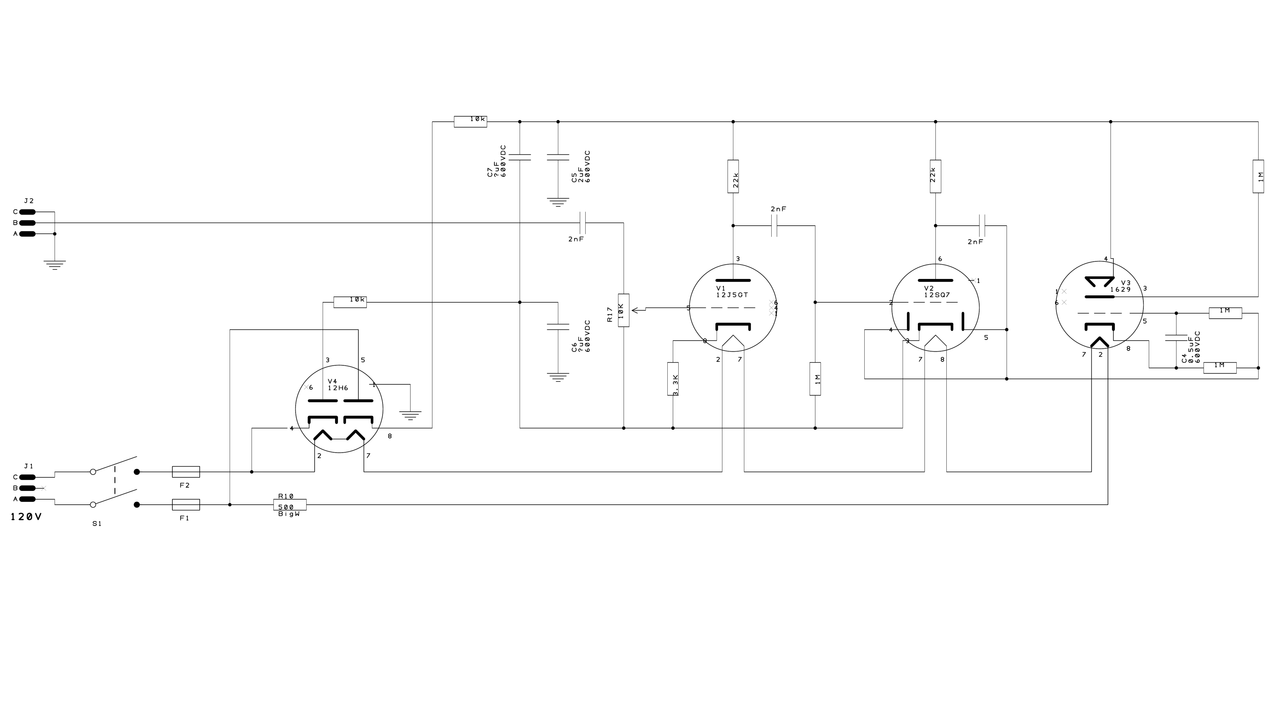
In this episode, we take a look at a U.S. Navy vacuum tube… thing! A member of my Discord server sent this cool little piece to me and after pouring over for it a couple of days straight, I still have no clue what it does, but we have a pretty good idea of how it does it!

Here’s a high resolution picture of the schematic: https://i.postimg.cc/HLjVCnTf/Navy-Schematic.png

If you want to support the channel please hop over to Patreon:
https://www.patreon.com/usagielectric

Also, we now have some epic shirts for sale!
https://my-store-11554688.creator-spring.com

Come join us on Discord and Twitter!

Discord: https://discord.gg/p7UsfHD
Twitter: https://twitter.com/UsagiElectric

Intro Music adapted from:
Artist: The Runaway Five
Title: The Shinra Shuffle
https://ocremix.org/remix/OCR01847

Thanks for watching!

Chapters
0:00 Intro
2:00 First look
6:20 The schematic
13:24 Powering it up
17:08 Outro
18:18 Bunny!